刀型闸阀系列

team image

手动高性能刀闸阀

产品说明

 

手动.jpg


技术要求  (Technical requirements)

1、设计与制造 (Design snd   make)

JB/T8691-2013MSS SP-81-2006

2、法兰连接 (f1ange end)

GB/T 9124.1-2019HG/T 20592-2009ASME B16.5/ASME   B16.47

3、结构长度 (Face to   face)

GB/12221-2025JB/T8691-2013MSS SP-81-2006

4、检验和试验 (Lnspect and   test)

JB/T8691-2013MSS SP-81-2006


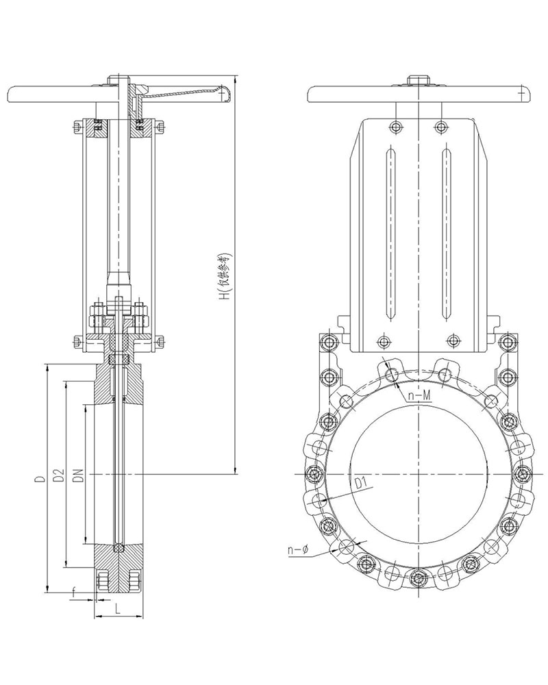
公称通径及连接尺寸(Nominal diameters and coupling sizes)

公称压力
 
 
  (MPa)

公称通径
 
 
  DN

长度
 
 
  L

法兰外径
 
 
  D

螺栓孔中心
 
 
  D1

连接突面
 
 
  D2

高度
 
 
  H

n-M

n-Ø

1.0MPa

50

48

165

165

102

290

2-M16

2-Ø18

65

48

185

145

122

315

2-M16

2-Ø18

80

51

200

160

138

340

2-M16

6-Ø18

100

51

220

180

158

370

2-M16

6-Ø18

125

57

250

210

188

413

2-M16

6-Ø18

150

57

285

240

212

458

2-M20

6-Ø22

200

70

340

295

268

540

2-M20

6-Ø22

250

70

395

350

320

655

4-M20

8-Ø22

300

76

445

400

370

748

4-M20

8-Ø22

350

76

505

460

430

845

6-M20

10-Ø22

400

89

565

515

482

975

6-M24

10-Ø26

450

89

615

565

532

1081

8-M24

12-Ø26

500

114

670

620

585

1177

8-M24

12-Ø26

600

114

780

725

685

1410

8-M27

12-Ø30

700

117

895

840

800

1646

10-M27

14-Ø30

800

117

1015

950

905

1810

10-M30

14-Ø33

900

127

1115

1050

1005

2080

12-M30

16-Ø33

1000

160

1230

1160

1110

2280

12-M33

16-Ø36

1200

200

1455

1380

1330

2730

12-M30

20-Ø33

2.5MPa

50

48

165

125

102

290

2-M16

2-Ø18

65

48

185

145

122

315

2-M16

6-Ø18

80

51

200

160

138

340

2-M16

6-Ø18

100

51

235

190

162

370

2-M20

6-Ø22

125

57

270

220

188

413

2-M24

6-Ø26

150

57

300

250

218

458

2-M24

6-Ø26

200

70

360

310

278

540

4-M24

8-Ø26

250

70

425

370

335

655

4-M27

8-Ø30

300

76

485

430

395

748

6-M27

10-Ø30

350

76

555

490

450

845

6-M30

10-Ø33

400

89

620

550

505

975

6-M33

10-Ø36

450

89

670

600

555

1081

8-M33

12-Ø36

500

114

730

660

615

1177

8-M33

12-Ø36

600

114

845

770

720

1410

8-M36

12-Ø39

700

117

960

875

820

1646

10-M39

14-Ø42

800

117

1085

990

930

1810

10-M45

14-Ø48

900

127

1185

1090

1030

2080

12-M45

16-Ø48

1000

160

1320

1210

1140

2280

12-M52

16-Ø56

1200

200

1530

1420

1350

2730

14-M52

18-Ø56


公称压力
 
 
  (MPa)

公称通径
 
 
  DN

长度
 
 
  L

法兰外径
 
 
  D

螺栓孔中心
 
 
  D1

连接突面
 
 
  D2

高度
 
 
  H

n-M

n-Ø

1.6MPa

50

48

165

165

102

290

2-M16

2-Ø18

65

48

185

145

122

315

2-M16

2-Ø18

80

51

200

160

138

340

2-M16

6-Ø18

100

51

220

180

158

370

2-M16

6-Ø18

125

57

250

210

188

413

2-M16

6-Ø18

150

57

285

240

212

458

2-M20

6-Ø22

200

70

340

295

268

540

4-M20

8-Ø22

250

70

405

355

320

655

4-M24

8-Ø26

300

76

460

410

378

748

4-M24

8-Ø26

350

76

520

470

438

845

6-M24

10-Ø26

400

89

580

525

490

975

6-M27

10-Ø30

450

89

640

585

550

1081

8-M27

12-Ø30

500

114

715

650

610

1177

8-M30

12-Ø33

600

114

840

770

725

1410

8-M33

12-Ø36

700

117

910

840

795

1646

10-M33

14-Ø36

800

117

1025

950

900

1810

10-M36

14-Ø39

900

127

1125

1050

1000

2080

12-M36

16-Ø39

1000

160

1255

1170

1115

2280

12-M39

16-Ø42

1200

200

1485

1390

1330

2730

12-M45

20-Ø48

150LB

2"

48

150

120.7

92.1

290

2-W5/8

2-Ø19

21/2"

48

180

139.7

104.8

315

2-W5/8

2-?19

3"

51

190

152.4

127

340

2-W5/8

2-Ø19

4"

51

230

190.5

157.2

370

2-W5/8

6-Ø19

5"

57

255

215.9

185.7

413

2-W3/4

6-Ø22

6"

57

280

241.3

215.9

458

2-W3/4

6-Ø22

8"

70

345

298.5

269.9

540

2-W3/4

6-Ø22

10"

70

405

362

323.8

655

4-W7/8

8-Ø25

12"

76

485

431.8

381

748

4-W7/8

8-Ø25

14"

76

535

470.3

412.8

845

4-W1

8-Ø28

16"

89

595

539.8

469.9

975

6-W1

10-Ø28

18"

89

635

577.9

533.4

1081

6-W11/8

10-Ø32

20"

114

700

635

584.2

1177

8-W11/8

12-Ø32

24"

114

815

749.3

692.2

1410

8-W11/4

12-Ø32

28"

117

925

863.6

800

1646

12-W11/4

16-Ø35

32"

117

1060

977.9

914

1810

12-W11/2

16-Ø41

36"

127

1170

1085.8

1022

2080

14-W11/2

18-Ø41

40"

160

1290

1200.2

1124

2280

16-W11/2

20-Ø41

48"

200

1510

1422.1

1359

2730

18-W11/2

26-Ø41