产品说明

技术要求 (Technical requirements)
1、设计与制造 (Design snd make): | JB/T8691-2013、MSS SP-81-2006 |
2、法兰连接 (f1ange end): | GB/T 9124.1-2019、HG/T 20592-2009、ASME B16.5/ASME B16.47 |
3、结构长度 (Face to face): | GB/12221-2025、JB/T8691-2013、MSS SP-81-2006 |
4、检验和试验 (Lnspect and test): | JB/T8691-2013、MSS SP-81-2006 |
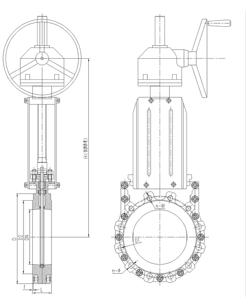
公称通径及连接尺寸(Nominal diameters and coupling sizes)
公称压力 | 公称通径 | 长度 | 法兰外径 | 螺栓孔中心 | 连接突面 | 高度 | n-M | n-Ø |
1.0MPa | 50 | 48 | 165 | 165 | 102 | 345 | 2-M16 | 2-Ø18 |
65 | 48 | 185 | 145 | 122 | 370 | 2-M16 | 2-Ø18 | |
80 | 51 | 200 | 160 | 138 | 395 | 2-M16 | 6-Ø18 | |
100 | 51 | 220 | 180 | 158 | 425 | 2-M16 | 6-Ø18 | |
125 | 57 | 250 | 210 | 188 | 468 | 2-M16 | 6-Ø18 | |
150 | 57 | 285 | 240 | 212 | 513 | 2-M20 | 6-Ø22 | |
200 | 70 | 340 | 295 | 268 | 600 | 2-M20 | 6-Ø22 | |
250 | 70 | 395 | 350 | 320 | 715 | 4-M20 | 8-Ø22 | |
300 | 76 | 445 | 400 | 370 | 808 | 4-M20 | 8-Ø22 | |
350 | 76 | 505 | 460 | 430 | 905 | 6-M20 | 10-Ø22 | |
400 | 89 | 565 | 515 | 482 | 1038 | 6-M24 | 10-Ø26 | |
450 | 89 | 615 | 565 | 532 | 1144 | 8-M24 | 12-Ø26 | |
500 | 114 | 670 | 620 | 585 | 1240 | 8-M24 | 12-Ø26 | |
600 | 114 | 780 | 725 | 685 | 1475 | 8-M27 | 12-Ø30 | |
700 | 117 | 895 | 840 | 800 | 1700 | 10-M27 | 14-Ø30 | |
800 | 117 | 1015 | 950 | 905 | 1885 | 10-M30 | 14-Ø33 | |
900 | 127 | 1115 | 1050 | 1005 | 2146 | 12-M30 | 16-Ø33 | |
1000 | 160 | 1230 | 1160 | 1110 | 2345 | 12-M33 | 16-Ø36 | |
1200 | 200 | 1455 | 1380 | 1330 | 2795 | 12-M30 | 20-Ø33 | |
2.5MPa | 50 | 48 | 165 | 125 | 102 | 345 | 2-M16 | 2-Ø18 |
65 | 48 | 185 | 145 | 122 | 370 | 2-M16 | 6-Ø18 | |
80 | 51 | 200 | 160 | 138 | 395 | 2-M16 | 6-Ø18 | |
100 | 51 | 235 | 190 | 162 | 425 | 2-M20 | 6-Ø22 | |
125 | 57 | 270 | 220 | 188 | 468 | 2-M24 | 6-Ø26 | |
150 | 57 | 300 | 250 | 218 | 513 | 2-M24 | 6-Ø26 | |
200 | 70 | 360 | 310 | 278 | 600 | 4-M24 | 8-Ø26 | |
250 | 70 | 425 | 370 | 335 | 715 | 4-M27 | 8-Ø30 | |
300 | 76 | 485 | 430 | 395 | 808 | 6-M27 | 10-Ø30 | |
350 | 76 | 555 | 490 | 450 | 905 | 6-M30 | 10-Ø33 | |
400 | 89 | 620 | 550 | 505 | 1038 | 6-M33 | 10-Ø36 | |
450 | 89 | 670 | 600 | 555 | 1144 | 8-M33 | 12-Ø36 | |
500 | 114 | 730 | 660 | 615 | 1240 | 8-M33 | 12-Ø36 | |
600 | 114 | 845 | 770 | 720 | 1475 | 8-M36 | 12-Ø39 | |
700 | 117 | 960 | 875 | 820 | 1700 | 10-M39 | 14-Ø42 | |
800 | 117 | 1085 | 990 | 930 | 1885 | 10-M45 | 14-Ø48 | |
900 | 127 | 1185 | 1090 | 1030 | 2146 | 12-M45 | 16-Ø48 | |
1000 | 160 | 1320 | 1210 | 1140 | 2345 | 12-M52 | 16-Ø56 | |
1200 | 200 | 1530 | 1420 | 1350 | 2795 | 14-M52 | 18-Ø56 |
公称压力 | 公称通径 | 长度 | 法兰外径 | 螺栓孔中心 | 连接突面 | 高度 | n-M | n-Ø |
1.6MPa | 50 | 48 | 165 | 165 | 102 | 345 | 2-M16 | 2-Ø18 |
65 | 48 | 185 | 145 | 122 | 370 | 2-M16 | 2-Ø18 | |
80 | 51 | 200 | 160 | 138 | 395 | 2-M16 | 6-Ø18 | |
100 | 51 | 220 | 180 | 158 | 425 | 2-M16 | 6-Ø18 | |
125 | 57 | 250 | 210 | 188 | 468 | 2-M16 | 6-Ø18 | |
150 | 57 | 285 | 240 | 212 | 513 | 2-M20 | 6-Ø22 | |
200 | 70 | 340 | 295 | 268 | 600 | 4-M20 | 8-Ø22 | |
250 | 70 | 405 | 355 | 320 | 715 | 4-M24 | 8-Ø26 | |
300 | 76 | 460 | 410 | 378 | 808 | 4-M24 | 8-Ø26 | |
350 | 76 | 520 | 470 | 438 | 905 | 6-M24 | 10-Ø26 | |
400 | 89 | 580 | 525 | 490 | 1038 | 6-M27 | 10-Ø30 | |
450 | 89 | 640 | 585 | 550 | 1144 | 8-M27 | 12-Ø30 | |
500 | 114 | 715 | 650 | 610 | 1240 | 8-M30 | 12-Ø33 | |
600 | 114 | 840 | 770 | 725 | 1475 | 8-M33 | 12-Ø36 | |
700 | 117 | 910 | 840 | 795 | 1700 | 10-M33 | 14-Ø36 | |
800 | 117 | 1025 | 950 | 900 | 1885 | 10-M36 | 14-Ø39 | |
900 | 127 | 1125 | 1050 | 1000 | 2146 | 12-M36 | 16-Ø39 | |
1000 | 160 | 1255 | 1170 | 1115 | 2345 | 12-M39 | 16-Ø42 | |
1200 | 200 | 1485 | 1390 | 1330 | 2795 | 12-M45 | 20-Ø48 | |
150LB | 2" | 48 | 150 | 120.7 | 92.1 | 345 | 2-W5/8 | 2-Ø19 |
21/2" | 48 | 180 | 139.7 | 104.8 | 370 | 2-W5/8 | 2-Ø19 | |
3" | 51 | 190 | 152.4 | 127 | 395 | 2-W5/8 | 2-Ø19 | |
4" | 51 | 230 | 190.5 | 157.2 | 425 | 2-W5/8 | 6-Ø19 | |
5" | 57 | 255 | 215.9 | 185.7 | 468 | 2-W3/4 | 6-Ø22 | |
6" | 57 | 280 | 241.3 | 215.9 | 513 | 2-W3/4 | 6-Ø22 | |
8" | 70 | 345 | 298.5 | 269.9 | 600 | 2-W3/4 | 6-Ø22 | |
10" | 70 | 405 | 362 | 323.8 | 715 | 4-W7/8 | 8-Ø25 | |
12" | 76 | 485 | 431.8 | 381 | 808 | 4-W7/8 | 8-Ø25 | |
14" | 76 | 535 | 470.3 | 412.8 | 905 | 4-W1 | 8-Ø28 | |
16" | 89 | 595 | 539.8 | 469.9 | 1038 | 6-W1 | 10-Ø28 | |
18" | 89 | 635 | 577.9 | 533.4 | 1144 | 6-W11/8 | 10-Ø32 | |
20" | 114 | 700 | 635 | 584.2 | 1240 | 8-W11/8 | 12-Ø32 | |
24" | 114 | 815 | 749.3 | 692.2 | 1475 | 8-W11/4 | 12-32 | |
28" | 117 | 925 | 863.6 | 800 | 1700 | 12-W11/4 | 16-Ø35 | |
32" | 117 | 1060 | 977.9 | 914 | 1885 | 12-W11/2 | 16-Ø41 | |
36" | 127 | 1170 | 1085.8 | 1022 | 2146 | 14-W11/2 | 18-Ø41 | |
40" | 160 | 1290 | 1200.2 | 1124 | 2345 | 16-W11/2 | 20-Ø41 | |
48" | 200 | 1510 | 1422.1 | 1359 | 2795 | 18-W11/2 | 26-Ø41 |



